¿î¿µÁøÀλ縻
Çпø¿¬Çõ
ÇпøÀü°æ
ÇпøÀÏÁ¤Ç¥
¿À½Ã´Â±æ
ÀÔÇоȳ»
ÀÔÇÐFAQ
ÀÔÇлó´ã½Ç
°Á¾ȳ»
1°³¿ù ´Ü±âÄÚ½º
Ưº°°Á¾ȳ»
°»çÁø
µ¿¿µ»ó°ÀǽÇ
À½¼º°ÀǽÇ
±âÃâ¹®Á¦
ÇнÀ³ëÇÏ¿ì
Àü»êȸ°è ³ëÇÏ¿ì
°øÁö»çÇ×
HOME > ÇнÀÀÚ·á½Ç >
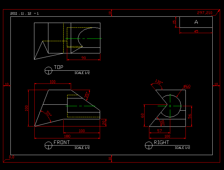
±âÃâ¹®Á¦
Á¦¸ñ
ATC 2±Þ 2011³â 11¿ù 12ÀÏ ±âÃâ¹®Á¦
ÀÛ¼ºÀÏ
2011-12-14
÷ºÎÆÄÀÏ
111112-1.gif
ÀÌ¿ë¾à°ü ¹× °³ÀÎÁ¤º¸Ã³¸®¹æÄ§ µî
Á¦ÀÏÄÄÇ»ÅÍÇпø ¸ñÆ÷ µî·Ï¹øÈ£ Á¦1472È£ | ±³½À°úÁ¤ ÄÄÇ»ÅÍ, Àü»êȸ°è | ÄÄÇ»ÅÍ Çлý ÃÊ±Þ 13¸¸¿ø Áß±Þ 16¸¸¿ø °í±Þ 20¸¸¿ø | ȸ°è Çлý ÃÊ±Þ 12¸¸¿ø Áß±Þ 17¸¸¿ø °í±Þ 25¸¸¿ø